Max Press 22
Aumento de la presión de agua en viviendas en general con cisterna o tanque elevado. Bajo consumo, seguridad y confiabilidad. Hasta 2 plantas y 3 duchas.
Ventajas
No produce golpes de ariete
Único con sistema “RPX”
La bomba del equipo es ROWA y por ello es totalmente silenciosa
No requiere ningún mantenimiento
Bajo consumo
Seguridad, confiabilidad.
Motor
Totalmente silencioso
Bobinado protegido contra funcionamiento en seco, se apaga automáticamente
Posee protector térmico incorporado.
Construcción
Equipos compactos.
Partes en contacto con el agua fabricadas con materiales sanitarios.
Sistema rotor húmedo.
Conexiones
Entrada y salida con rosca de 1”
2 válvulas esféricas con uniones dobles (bronce)
Conexión eléctrica directa a la red
Características
Tensiones disponibles: 220V.
Temperatura máxima del agua: 40ºC.
Temperatura ambiente: 40ºC.
Presión máxima del sistema: 6Kg/cm².
Tipo de aislación: F.
Pérdida de carga máxima en succión: 4 m.c.a.
Sistema SRS
Este producto fue fabricado de acuerdo con el “Sistema de Reparación Simple” por kits de reposición ROWA (SRS). El sistema SRS permite realizar cualquier reparación en menos de 15 minutos, en el mismo lugar donde se encuentra instalado el equipo. Los kits de reposición SRS pueden ser adquiridos en los comercios autorizados por ROWA.
-
Detalles Tecnicos
- Presión Máxima (m. c. a.) 21
-
Caudal Máximo (l/h) 5500
-
Potencia (HP) 0,65
-
Tension V 220
-
I (A) 4,8
-
Conexion 1"
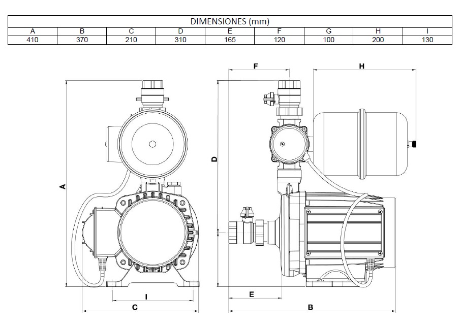
Peso: 15,5 kg. / Tanque 2 litros / Dimensiones (mm)

Posiciones de instalacion
El presurizador deberá ser instalado obligatoriamente de modo que el eje de la electrobomba permanezca en posición horizontal, de acuerdo a las siguientes figuras. El no cumplimiento de esta norma implicará el desgaste irregular del equipo y la consecuente pérdida de la garantía.

Esquema de Instalación

Esquema Tanque Elevado - Tanque Cisterna
