Press 200 E
Aumento de la presión de agua en viviendas en general con cisterna o tanque elevado. Bajo consumo, seguridad y confiabilidad. Hasta 16 duchas.
Ventajas
No produce golpes de ariete.
Único con sistema “RPX”.
La bomba del equipo es ROWA y por ello es totalmente silenciosa
No requiere ningún mantenimiento.
Bajo consumo.
Seguridad, confiabilidad.
Motor
Totalmente silencioso
Bobinado protegido contra funcionamiento en seco, se apaga automáticamente
Posee protector térmico incorporado.
Construcción
Equipos compactos.
Partes en contacto con el agua fabricadas con materiales sanitarios.
Sistema rotor húmedo.
Conexiones
Entrada y salida con rosca de 1 1/2”.
2 válvulas esféricas con uniones dobles (bronce).
Conexión eléctrica directa a la red.
Características
Tensiones disponibles: 220V.
Temperatura máxima del agua: 40ºC.
Temperatura ambiente: 40ºC.
Presión máxima del sistema: 6Kg/cm².
Tipo de aislación: F.
Pérdida de carga máxima en succión: 4 m.c.a.
-
Detalles Tecnicos
- Presión Máxima (m. c. a.) 19
-
Caudal Máximo (l/h) 21000
-
Potencia (HP) 2
-
Tension V 220
-
I (A) 7,5
-
Conexion 1,5
Peso: 34,7 kg. / Tanque 20 litros / Dimensiones (mm)

Posiciones de instalacion
El presurizador deberá ser instalado obligatoriamente de modo que el eje de la electrobomba permanezca en posición horizontal, de acuerdo a las siguientes figuras. El no cumplimiento de esta norma implicará el desgaste irregular del equipo y la consecuente pérdida de la garantía.

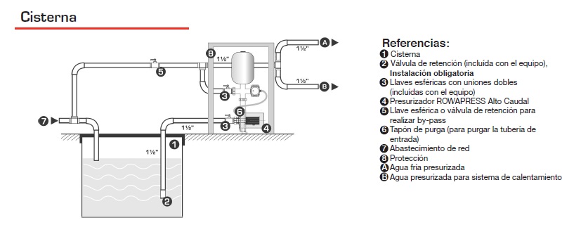
Esquema de Instalación

Esquema Tanque Elevado

Esquema Tanque Cisterna
