12/1 S
Recirculación de agua caliente hasta 70ºC. Abastecimiento de agua para toda vivienda. Apta para bombear agua potable sin residuos.
Motor
Totalmente silencioso
Bobinado protegido contra funcionamiento en seco, se apaga automáticamente
Posee protector térmico incorporado.
No produce golpes de ariete.
Construcción
Equipos compactos.
Partes en contacto con el agua fabricadas con materiales sanitarios.
Sistema rotor húmedo.
Conexiones
Entrada y salida con rosca de 3/4”,1” y 1½” (según producto).
Conexión eléctrica directa a la red.
Características
Tensiones disponibles: 220v.
Temperatura máxima del agua: 70ºC
Temperatura ambiente: 40ºC
Presión máxima del sistema: 10Kg/cm²
Tipo de aislación: F
Pérdida de carga máxima en succión: 4 m.c.a.
-
Detalles Tecnicos
- Presión Máxima (m. c. a.) 10
Caudal Máximo (l/h) 6100
Potencia (HP) 0,17
Tension V 220
I (A) 1,50
Conexion 1".
Peso: 6,50 kg. / Dimensiones (mm).

Posiciones de Instalación
El presurizador deberá ser instalado obligatoriamente de modo que el eje de la electrobomba permanezca en posición horizontal, de acuerdo a las siguientes figuras. El no cumplimiento de esta norma implicará el desgaste irregular del equipo y la consecuente pérdida de la garantía.

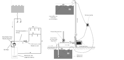
Esquema de Instalación
