Tango SFL 14
Aumento de presion de agua en residencias en general, nuevas o antiguas con tanque elevado. Apto para viviendas con tuberias de 20 años o mas.
Ventajas
No le afectan las perdidas de agua en tuberias o griferias.
No Presuriza la instalacion en forma continua solamente cuando se consume mas de 1 litro de agua por minuto.
Nunca se encendera el equipo de no existir un consumo real de agua.
Bajo consumo.
No produce golpes de ariete.
No requiere mantenimiento.
Seguridad y confiabilidad.
Motor
Totalmente silencioso
Bobinado protegido contra funcionamiento en seco, se apaga automáticamente
Posee protector térmico incorporado.
Construcción
Equipos compactos.
Partes en contacto con el agua fabricadas con materiales sanitarios.
Sistema rotor húmedo.
Conexiones
Entrada y salida con rosca de 1”
2 válvulas esféricas con uniones dobles (polipropileno)
Conexión eléctrica directa a la red
Características
Tensiones disponibles: 220V
Temperatura máxima del agua: 40ºC
Temperatura ambiente: 40ºC
Presión máxima del sistema: 4Kg/cm²
Tipo de aislación: F
Pérdida de carga máxima en succión: 4 m.c.a.
Sistema SRS
Este producto fue fabricado de acuerdo con el “Sistema de Reparación Simple” por kits de reposición ROWA (SRS). El sistema SRS permite realizar cualquier reparación en menos de 15 minutos, en el mismo lugar donde se encuentra instalado el equipo. Los kits de reposición SRS pueden ser adquiridos en los comercios autorizados por ROWA.
-
Detalles Tecnicos
- Presión Máxima (m. c. a.) 14
Caudal Máximo (l/h) 3500
Potencia (HP) 0,25
Tension V 220
I (A) 1,8
Conexion 1".
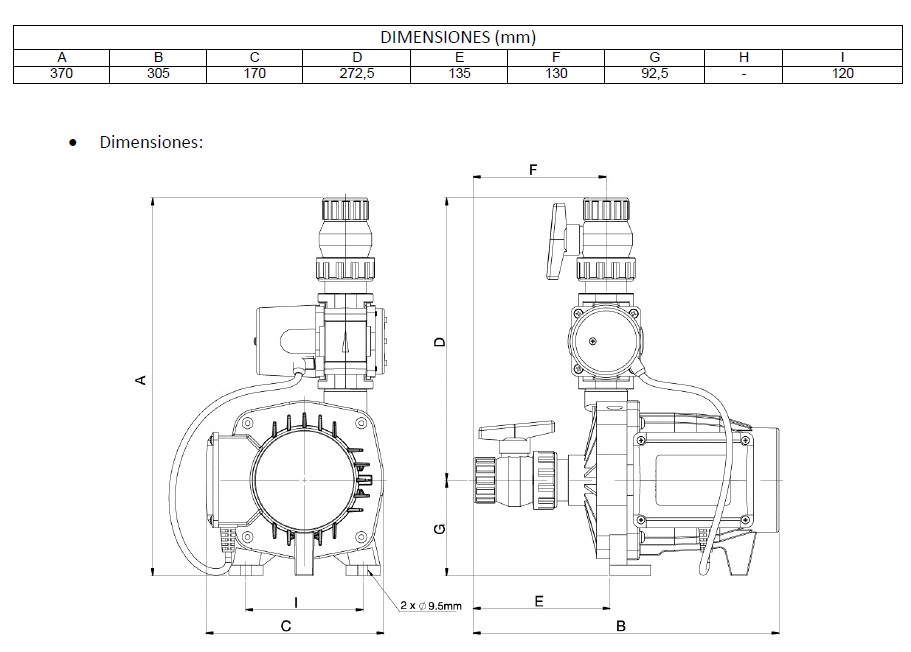
Peso: 6,70kg. / Dimensiones (mm).

Esquema de Instalación

Esquema Tanque Elevado

Posiciones de Instalación
